- 产品描述
-
- 商品名称: C35 金属化聚丙烯膜电容器
● 金属化聚丙烯膜<br /> ● 良好的电性能<br /> ● 塑料外壳(UL94 V-0),阻燃环氧填充
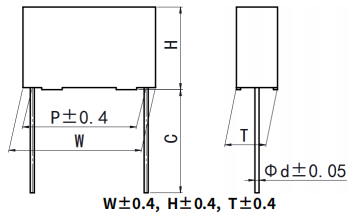
外形图

关键字:
PCB用电容器系列
D3C 车规级 PCB 用 DC-Link 电容器(125℃)
● AEC-Q200
● 金属化聚丙烯膜结构
● 良好的电气性能
● 塑料外壳封装(UL94 V‑0), 树脂填充
● 汽车 OBC 125℃高温应用
● 金属化聚丙烯膜结构
● 良好的电气性能
● 塑料外壳封装(UL94 V‑0), 树脂填充
● 汽车 OBC 125℃高温应用
● 专门设计用于与 100Vac~240Vac 电源串联的电容降压电路应用场合,如电表、LED 模块等。
● 金属化聚丙烯膜
● 自愈性能优异,能承受浪涌电压冲击
● 长期负载下优异的电容量稳定性
● 阻燃环氧粉末包封(UL94/V‑0)
● 金属化聚丙烯膜
● 自愈性能优异,能承受浪涌电压冲击
● 长期负载下优异的电容量稳定性
● 阻燃环氧粉末包封(UL94/V‑0)
C4V(Z) 金属化聚丙烯膜抗干扰电容器(X2 类 , THB 防潮系列, 125℃)
● 高温金属化聚丙烯膜:125℃
● 在严苛的环境下(如高温高湿)长期应用容量稳定性优异
● 自愈性能优异,能承受浪涌电压冲击
● 优异的阻燃性能
● 在严苛的环境下(如高温高湿)长期应用容量稳定性优异
● 自愈性能优异,能承受浪涌电压冲击
● 优异的阻燃性能
C46 金属化聚丙烯膜抗干扰电容器(X1类 , 760Vac)
● 金属化聚丙烯膜
● 体积小
● 能承受过压冲击
● 优异的阻燃性能
● 用于电源跨线路等抗干扰场合
● 体积小
● 能承受过压冲击
● 优异的阻燃性能
● 用于电源跨线路等抗干扰场合
C44 金属化聚丙烯膜抗干扰电容器(X1类 , 330Vac)
● 金属化聚丙烯膜
● 能承受过压冲击
● 优异的阻燃性能
● 用于电源跨线路等抗干扰场合(不用于与电源串联的场合)
● 能承受过压冲击
● 优异的阻燃性能
● 用于电源跨线路等抗干扰场合(不用于与电源串联的场合)
● 应用于直流滤波电路中, 可替代电解电容
● 等效串联电阻小, 能承受较大的纹波电流
● 自感小
● 有自愈性
● 寿命长
● 铝壳,树酯灌封
● 等效串联电阻小, 能承受较大的纹波电流
● 自感小
● 有自愈性
● 寿命长
● 铝壳,树酯灌封
C3D(R) 低高度设计 PCB 用 DC‑Link 电容器
● 超薄型, 低高度, 安全膜设计
● 高耐纹波电流, 低 ESR、Ls
● 塑料外壳封装(UL94 V‑0), 树脂填充
● 良好的自愈特性
● 高性能直流滤波应用场合(如:变频器、光伏逆变器、工业和高端电源、DC/DC 变化器等)
● 高耐纹波电流, 低 ESR、Ls
● 塑料外壳封装(UL94 V‑0), 树脂填充
● 良好的自愈特性
● 高性能直流滤波应用场合(如:变频器、光伏逆变器、工业和高端电源、DC/DC 变化器等)
● 适用于频率为 50Hz/60Hz 交流电源供电的单相电动机起动和运转
● 有自愈特性
● 性能稳定,可靠性高
● 有自愈特性
● 性能稳定,可靠性高
● 金属化聚酯膜,无感卷绕结构,塑料外壳(UL94 V-0)
● 性能稳定,具有良好的温度特性、频率特性、电压特性、时间稳定性和防潮特性
● 可靠性高,自愈性好
● 无压电效应,无极性,无非线性失真
● 适用于回流焊、成本低
● 性能稳定,具有良好的温度特性、频率特性、电压特性、时间稳定性和防潮特性
● 可靠性高,自愈性好
● 无压电效应,无极性,无非线性失真
● 适用于回流焊、成本低
产品咨询
官方微信
联系方式
电话:0592-6208620 / 6208589 / 6208618
地址:中国厦门市海沧区新园路99号
邮箱:vitawang@faratronic.com.cn
邮箱:chris@faratronic.com.cn
邮箱:michael_lai@faratronic.com.cn